

天然氣疏水閥
TSS43H系列天然氣疏水閥是一種全自動排液裝置,該產品在不使用其它動力的條件下使天然氣礦的氣水分離器或天然氣儲罐中的沉積水(液)實現全自動排放,排放水(液)的過程中無天然氣泄漏,避免了人工排工(液)帶來的天然氣損失(約為產量的1%),對確保供氣質量、凈化環境、實行清潔生產、消除安全隱患和改善勞動條件均具有顯著的作用。
Natural gas trap valve
TSS43H series natural gas trap valve is a fully automatic liquid discharge device, the product that sedimentary water gas water separator or gas tank gas in power without the use of other conditions (liquid) to achieve automatic discharge, waste water (liquid) without gas leakage in the process of avoiding artificial schedule (liquid) caused by natural gas losses (about 1% of production), to ensure supply of quality, purifying the environment, the implementation of cleaner production, eliminate safety hazards and improving working conditions have a remarkable effect.
功能特點:
1、 全天候全自動連續作業,有水就排,無水自動關閉,沉積水(液)排放率100%。
2、 阻氣嚴密,運行中無天然氣泄漏,漏氣率為零。
3、 自動沉降污物,實行定期排污。
4、 內件材料為全不銹鋼,閥體內避經防腐處理,使用壽命長。
5、 安裝方便,無需調試,運行平穩,安全可靠。
functional features:
1、all-weather automatic continuous operation, there is water on the row, no water automatic shutdown, sink water (liquid) discharge rate of 100%.
2、gas tight, no gas leakage in operation, the leakage rate is zero.
3、automatic settlement of dirt, the implementation of regular sewage.
4、the internal material for all stainless steel, inside the valve to avoid corrosion treatment, long service life.
5、easy installation, no debugging, smooth operation, safe and reliable.
技術特性Technical characteristics:
型號
Model
公稱通徑
Nominal diameter
(mm)
公稱壓力Nominal pressure
(MPa)
工作壓力
Working pressure
(MPa)
工作溫度
working temperature
(℃)
排水量
Displacement
(M3/h)
漏氣率
Leak
rate
(%)
排水率
Drainage
rate
(%)
TSS43H-16
25
32
40
50
65
80
100
150
1.6
≤1.6
常溫
Ambient temperature
2-50
0
100
TSS43H-25
2.5
≤2.0
TSS43H-40
4.0
≤3.0
TSS43H-63
6.3
≤5.0
TSS43H-100
10.0
≤8.0
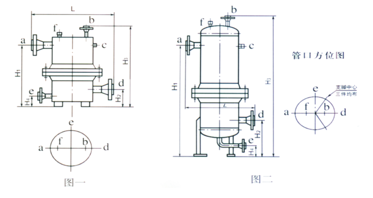
外形簡圖:a、進水口 b、回氣口 c、檢查口 d、排水口 e、排污口 f、備用口M20×1.5螺塞
Outline drawing:a、Intake b、Air return port c、Inspection Gate d、Outfall e、sewage outfalls f、Reserve portM20×1.5Plug
型號、規格、工作參數年、安裝尺寸:
TSS43H天然疏水閥按可疏液體中成份的不同分為A系列和B系列兩種。
A系列表示可疏液體是水,無其它液體成份(表一)。
B系列表示可疏液體為油或水和凝析油的混合液體(表二)。
如果天然氣中含有H2S氣體,應選用抗硫型天然氣疏水閥,抗硫天然氣疏水閥的型號是普通型天然氣疏水閥型號前加“k”。表中()內的型號即為相應型號的抗硫型疏水閥。
model, specification, work parameter year, installation size:
TSS43H natural trap according to the liquid can be divided into different components of A series and B series of two.
The A series means that the liquid is water free and has no other liquid components (Table 1).
The B series represents a mixture of liquids that can be dispersed as oil or water and condensate (table two).
If natural gas contains H2S gas, sulfur resistant natural gas traps shall be selected. The type of sulfur resistant natural gas trap is common type of natural gas trap, plus "K"". The model in the table is the anti sulfur trap of the corresponding model.
A系列series 表 一 (Table 1)
|
型 號 Model |
規格 號 Specif ication number |
公稱 壓力 Nominal pressure (MPa) |
工作參數 Working parameter |
安裝尺寸 Installation size |
進口出口Imported Exit |
綜合說明 Compreh ensive Descr iption |
||||||
|
工作 壓力 上限 Working pressure (MPa) |
排水量 Displa cement (M3/h) |
H1 mm |
H2 mm |
H3 mm |
L mm |
圖示 Icon |
DN mm |
PN MPa |
||||
|
TSS43H-16 (KTSS43H-16)
|
A1 |
1.6 |
0.8 |
2 |
500 |
200 |
680 |
540 |
圖一 |
40
50
65
80
100 |
1.6 |
1、排污口 尺寸: 所有規 格號均為 DN40, PN同進口 H4=100mm; 2、回氣口 連接尺寸: 所有規格 號均為 DN15, PN同進口。 3、法蘭 標準: 當PN≤ 2.5MPa時 為: JB/T81 -94 當2.5< PN≤10MPa 時為: JB/T 82.2-94A 型 |
|
A2 |
5 |
600 |
200 |
780 |
600 |
|||||||
|
A3 |
10 |
730 |
200 |
910 |
600 |
|||||||
|
A4 |
15 |
850 |
200 |
1030 |
630 |
|||||||
|
A5 |
1.5 |
2 |
500 |
200 |
680 |
540 |
||||||
|
A6 |
5 |
600 |
200 |
780 |
600 |
|||||||
|
A7 |
10 |
730 |
200 |
910 |
600 |
|||||||
|
A8 |
15 |
730 |
200 |
910 |
630 |
|||||||
|
TSS43H-25(KTSS43H-25)
|
A9 |
2.5 |
2.0 |
2 |
500 |
200 |
680 |
540 |
2.5 |
|||
|
A10 |
5 |
600 |
200 |
780 |
600 |
|||||||
|
A11 |
10 |
860 |
200 |
1040 |
600 |
|||||||
|
A12 |
15 |
880 |
200 |
1060 |
630 |
|||||||
|
TSS43H-40 (KTSS43H-40) |
A13 |
4.0 |
3.0 |
2 |
580 |
200 |
750 |
540 |
4.0 |
|||
|
A14 |
5 |
600 |
200 |
770 |
600 |
|||||||
|
A15 |
10 |
880 |
320 |
1180 |
630 |
圖二 |
||||||
|
A16 |
15 |
1000 |
320 |
1320 |
630 |
|||||||
|
TSS43H-63 (KTSS43H-63) |
A17 |
6.3 |
4.5 |
2 |
710 |
200 |
900 |
540 |
圖一 |
6.3 |
||
|
A18 |
5 |
730 |
200 |
920 |
600 |
|||||||
|
A19 |
10 |
1000 |
320 |
1320 |
630 |
圖二 |
||||||
|
A20 |
15 |
1150 |
320 |
1470 |
630 |
|||||||
|
A21 |
5.5 |
2 |
710 |
200 |
900 |
540 |
圖一 |
|||||
|
A22 |
5 |
730 |
200 |
920 |
620 |
|||||||
|
A23 |
10 |
1000 |
320 |
1320 |
630 |
圖二 |
||||||
|
TSS43H-100 (KTSS43H-100) |
A24 |
10.0 |
6.0 |
2 |
710 |
200 |
900 |
540 |
圖一 |
10.0 |
||
|
A25 |
5 |
730 |
200 |
920 |
620 |
|||||||
|
A26 |
10 |
1120 |
340 |
1140 |
680 |
圖二 |
||||||
|
A27 |
8.0 |
2 |
880 |
340 |
1180 |
620 |
||||||
|
A28 |
5 |
1120 |
340 |
1420 |
620 |
|||||||
|
A29 |
10 |
1120 |
340 |
1440 |
680 |
|
||||||
B系列series 表 二 (Table 2)
|
型 號 Model |
規格號 Specif ication number |
公稱 壓力 Nominal pressure (MPa) |
工作參數 Working parameter |
安裝尺寸 Installation size |
進口出口Imported Exit |
綜合說明 Compreh ensive Descr iption |
||||||
|
工作 壓力 上限 Working pressure (MPa) |
排水量 Displa cement (M3/h) |
H1 mm |
H2 mm |
H3 mm |
L mm |
圖示 Icon |
DN mm |
PN MPa |
||||
|
TSS43H-16 (KTSS43H-16) |
B1 |
1.6 |
0.8 |
2 |
700 |
200 |
880 |
540 |
圖一 |
40
50
65
80
100
|
1.6 |
1、排污口 連接尺寸: 所有規格 均為DN40, PN同進口, H4=100mm; 2、回氣口 連接尺寸: 所有規格 號均為 DN15, PN同進口。 3、法蘭 標準: 當PN≤ 2.5MPa時 為: JB/T81-94 當2.5<PN ≤10Mpa時 為: JB/T 82.2-94A型 |
|
B2 |
5 |
730 |
200 |
910 |
600 |
|||||||
|
B3 |
10 |
850 |
200 |
1030 |
630 |
|||||||
|
B4 |
1.5 |
2 |
700 |
200 |
880 |
540 |
||||||
|
B5 |
5 |
850 |
200 |
1030 |
600 |
|||||||
|
B6 |
10 |
850 |
200 |
1030 |
600 |
|||||||
|
TSS43H-25 (KTSS43H-25) |
B7 |
2.5 |
2.0 |
2 |
700 |
200 |
880 |
540 |
2.5 |
|||
|
B8 |
5 |
730 |
200 |
910 |
600 |
|||||||
|
B9 |
10 |
1030 |
320 |
1350 |
630 |
圖二 |
||||||
|
TSS43H-40 (KTSS43H-40) |
B10 |
4.0 |
3.0 |
2 |
600 |
200 |
980 |
600 |
圖一 |
4.0 |
||
|
B11 |
5 |
850 |
200 |
1030 |
600 |
|||||||
|
B12 |
10 |
1030 |
320 |
1350 |
630 |
圖二 |
||||||
|
TSS43H-63 (KTSS43H-63) |
B13 |
6.3 |
4.5 |
2 |
730 |
200 |
910 |
600 |
圖一 |
6.3 |
||
|
B14 |
5 |
1000 |
320 |
1320 |
630 |
圖二 |
||||||
|
B15 |
10 |
1150 |
320 |
1450 |
630 |
|||||||
|
B16 |
5.5 |
2 |
730 |
200 |
910 |
600 |
圖一 |
|||||
|
B17 |
5 |
1030 |
320 |
1350 |
630 |
圖二 |
||||||
|
TSS43H-100 (KTSS43H-100) |
B18 |
10.0 |
6.0 |
2 |
850 |
200 |
1030 |
620 |
圖一 |
10.0 |
||
|
B19 |
3 |
980 |
200 |
1160 |
620 |
|||||||
|
B20 |
8.0 |
2 |
1150 |
340 |
1470 |
620 |
圖二 |
|||||
|
B21 |
3 |
1150 |
340 |
1470 |
620 |
|||||||
安裝及維護:
1、該疏水閥應水平安裝,在管線路較低位置,閥前應裝截止閥,過濾器同時安裝旁通閥。
2、本疏水閥安裝完畢,開啟進口截止閥,再開啟出口截止閥,疏水閥開始正常運行排水連續作業。
3、安裝方向:閥體上的箭頭指向與管道內流體方向一致(箭頭指向為流體出口端)。
4、排污清除:由于長期累積隨凝結水進入疏水閥腔內,會有一定的渣污。
5、排污操作:關閉疏水閥前與后的截止閥,然后打開底部污球閥,再慢開進口截止閥,以凝結水沖洗本閥內腔渣物,直至沖洗內部干凈為止。
6、為了防止渣物進入疏水閥,根據用戶各自管道情況,定期進行清除污渣,可使疏水閥保持良好的正常工作。
Installation and maintenance:
1, the valve should be installed horizontally in the pipeline, the lower position, the valve should be installed before the cut-off valve, filter bypass valve installed at the same time.
2, the trap installed, open the inlet stop valve, and then open the outlet valve, the trap began to run normally, drainage continuous operation.
3. Installation direction: the arrow on the valve body is in line with the direction of the fluid in the pipe (arrow pointing to the outlet of the fluid).
4, sewage clearance: as a result of long-term accumulation, with the condensate into the trap cavity, there will be a certain amount of slag.
5, sewage operation: close the trap before and after the cut-off valve, and then open the bottom dirty ball valve, and then slowly open the inlet stop valve, with condensed water to wash the valve cavity slag, until the rinse clean inside.
6, in order to prevent slag into the trap, according to the user's respective pipe conditions, regular cleaning debris, can make trap to maintain good normal work.
